Skip to content
Free Shipping on All Orders
Free Shipping on All Orders

Country

by MT-RSR

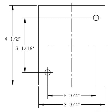
MT-RSR Western Rubber Arm Pad - 4 1/2" x 3 3/4" Rectangular (Pack of 4) 6513-4

SKU 6513-4
Original price $133.80 - Original price $133.80
Original price
$133.80
$133.80 - $133.80
Current price $133.80

Bolt-On Rectangular Rubber Arm Pad for Western SVT-1 (Pack of 4)

These rubber pads are designed to improve the performance and safety of Western Lifts. They are manufactured with high-quality materials and have a square shape measuring 4 1/2" x 3 3/4" x 3/8" thick. The pads can be easily attached to the existing steel adapters to provide extra grip and stability to the lift.

Interchangeable Part Numbers:

S-2002